광속
· 측정 범위 : 0.0002 lm to approx. 38 lm
· 최소 분해능 : 0.001 lm
· 정밀도 : DIN quality class B
· Sensitivity : 20nA/lm
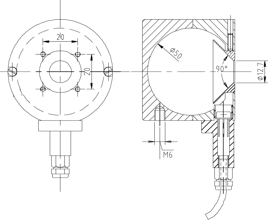
· Acceptance angle : up to 90 °
· Humidity range : 10 to 90 % non-condensing
· Operating temperature : max. 100°C inside globe
· Inner diameter of globe : 50mm
· Test opening : 12.7 mm


